

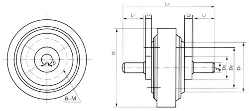
規格型號 | 額定轉矩Nm | 額定電流A | 滑差功率w | 磁粉用量g | 冷卻方式 | 外形尺寸 | 軸聯接尺寸 | 法蘭聯接尺寸 | |||||||
D | L | d(h) | b | L1 | L2 | D3(g) | D2 | D1 | M | ||||||
CJF-0.6 | 6 | 1 | 65 | 18 | 自然 | 130 | 135 | 12 | 4 | 20 | 12 | 42 | 64 | 85 | 6 |
CJF-1.2 | 12 | 1 | 80 | 35 | 自然 | 152 | 180 | 15 | 5 | 30 | 18 | 50 | 65 | 80 | 6 |
CJF-2.5 | 25 | 1.5 | 130 | 60 | 散熱筋 | 190 | 226 | 20 | 6 | 38 | 20 | 62 | 78 | 95 | 6 |
CJF-5 | 50 | 2.3 | 290 | 100 | 散熱筋 | 220 | 286 | 25 | 8 | 55 | 25 | 74 | 100 | 120 | 6 |
CJF-10 | 100 | 2.5 | 450 | 150 | 散熱筋 | 288 | 360 | 30 | 10 | 65 | 28 | 100 | 140 | 165 | 10 |
CJF-20 | 200 | 2.5 | 720 | 300 | 散熱筋 | 335 | 358 | 35 | 10 | 60 | 35 | 110 | 150 | 175 | 10 |
CJF-40 | 400 | 3 | 1000 | 400 | 散熱筋 | 395 | 458 | 45 | 14 | 95 | 36 | 130 | 200 | 340 | 12 |
CJF-50 | 500 | 3 | 1100 | 450 | 散熱筋 | 395 | 458 | 45 | 14 | 95 | 36 | 130 | 200 | 340 | 12 |
雙出軸法蘭式磁粉離合器概述
磁粉離合器是根據電磁原理并利用磁粉來傳達轉矩的,其傳達之轉矩與激磁電流基本成線性關系。因此,只要改變激磁電流之大小,便可輕易地控制轉矩之大小。正常情況下,在5%至 100%的額定轉矩范圍內,激磁電流與其傳達之轉矩成正比例線性關系。雙出軸法蘭式磁粉離合器是由傳動單元(輸入軸)和從動單元(輸出軸)合并而成。在兩組單元之間的空間,填有粒狀的磁粉(體積大約40微米)。當磁性線圈不導電時,轉矩不會從傳動軸傳于從動軸,但如將線圈電磁通電,就由于磁力的作用而吸引磁粉產生硬化現象,在連繼滑動之間會把轉矩傳達。
雙出軸法蘭式磁粉離合器特點
- 在雙出軸法蘭式磁粉離合器接合過程中,容易做到扭矩的增長平滑,因此磁粉離合器有很好的接合平順性能。
- 能較長時間地滑磨工作。
- 在使用過程中無須進行調整。
磁粉離合器使用注意事項
1、請以正規的安裝方法(將高速旋轉側當作輸入側)來使用磁粉離合器。如果機械的結構非得要輸出入軸反安裝的話,請務必以1000R/MIN以下來使用。輸入軸與輸出軸反過來安裝的話會使機器長時間空轉,磁粉受到攪拌,會縮短磁粉離合器的使用壽命。
2、請注意濕氣。磁粉受潮的話,性能會變得不穩定,所以注意不要讓油或水分侵入內部。特別是安裝于齒輪箱時,油分會透過軸部侵入內部,所以要用薄膜完全封住。
3、請注意表面溫度。連續運轉所造成的表面溫度為運轉時90度以下,超過該數值時,耐久性會降低。請務必以上述界限溫度為標準,使用時務必保持在所容許的滑動工作率之內。




蘇公網安備 32062102000172號